電阻傳感器CP-50
來源:冰潔 發布時間:12-18 熱度:142 ℃
期貨,交期約8周
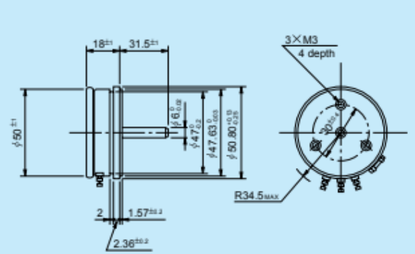
外型Size:φ50.8(D) x 18(L)mm
柄直徑:6mm
柄長:30mm
阻抗:5K
單獨直線性:0.5~0.1 (±%)
額定電力:1.5W
機械旋轉角度:360°
電器旋轉角度:355°±3°
絕緣阻抗值:DC1,000V 1,000MΩ以上
絕緣耐力:AC1,000V 1分間
回轉扭矩:5 Max. (mN?m)
雑音:ENR100Ω以下
阻抗線溫度系數:±20p.pm/℃
重量:120g


-
確認型號
根據用戶的實際情況確認產品型號和需求:防護等級、材質、激勵電壓、靈敏度、允許誤差范圍等;售前專業方案設計、產品選型指導。
-
確認貨期
特惠供應:港臺庫存3-5天、日本配發3-5周、韓國發貨2-4周、德國配送5-8周;以實際貨期為準。
-
進口報關
簽訂進口代理合同→辦理相關許可證→外商發貨→審核進口單據→海關審價→繳納稅金→海關查驗→放行貨物→提貨→完成。
-
到客戶手上
為您提供全方位完善的一條龍銷售服務指導,售中安裝調試,售后三年上門免費跟蹤維修服務;鄭重承諾:三個月內不滿意無條件零費用隨時退換貨。
